Gottlib писал(а):Народ будет весьма признателен.
Стыдно, но - забыл.
Да и до гаража никак не доберусь где кубик уже который месяц лежит, делами завалился.
Модераторы: Konstantinovich, Darkroom, 116aavl, SanSanish
Gottlib писал(а):Народ будет весьма признателен.
Hawk80 писал(а):Кубиководы, помогите разобраться.
Проблемка такая, если собираю клапан как на рисунке 2 (upgrade), то он - клапан, до момента монтажа в резервуар не травит. Как только собираю винтовку, то клапан открывается (видимо поддавливается пружиной ударника), и что ни делаю он находится в постоянно открытом состоянии.
Дополнительная информация: на пружина ударника удлинена на 1 см.
Предположения такие,
1. Не верно собран механизм фиксации ударника, но он взводится и щелкает.
2. слишком мягкая пружина придерживающая золотник клапана.
Научите собрать правильно, а-то задолбался уже пробовать, резинки и терпение уже на исходе.
Кустарный конечно определитель, но сойдет.
Это даст более ровное плато, т.к. запирание будет меньше зависеть от внутреннего давления.
Hawk80 писал(а):prof3ss0r спасибо за ответ. Винтарь взводил. Не прокатывает. На выхах попробую еще покумекать, но если не получится, у кого просить помощи с приездом на точку
походу он просто не держит давление. Воздух не сразу же в ствол идет? потиху шипит? разбери все нафиг, закрепи болтами только блок клапана в трубе, и заправляй - все и услышишь! Если из перепуска травит - то запирающие поверхности клапана не идеальны и давление не держат. Если внутри трубы травит, значит резинке уплотнения блока клапана капец, либо ты плохо его закрутил. Разбираешь же ты правильно???

116aavl писал(а):Каспер коробки многозарядные под мародеровские магазины на кубика выпустил Cсылка скрыта. Для просмотра необходима регистрация на форуме или войдите на форум.
Теперь полноценный КИТ есть на кубика.
ВНИМАНИЕ !!!
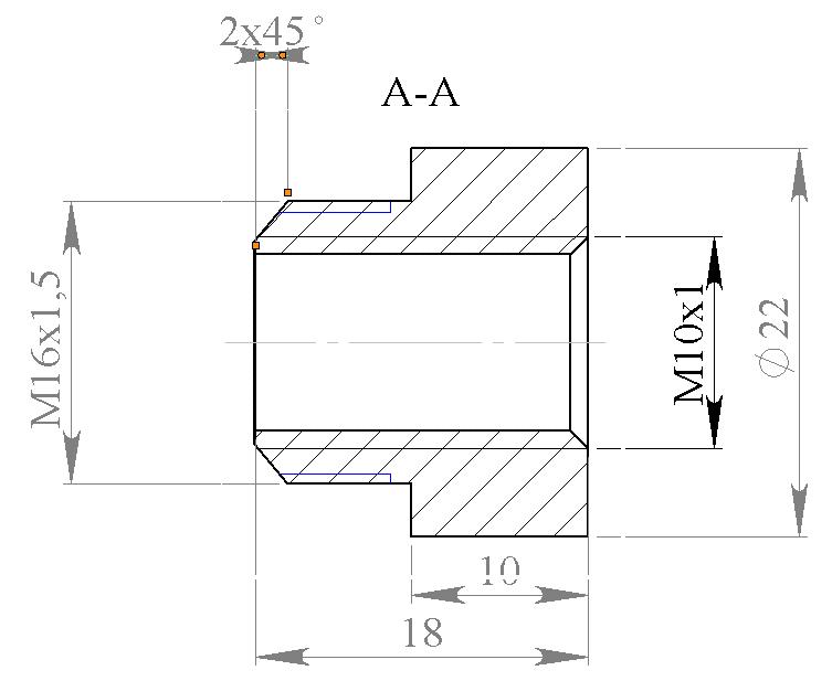
Коробка не совместима с родным ударником и штифтами. Требуется новый облегченный ударник, штифт и направляющая. Чертеж ниже.
Hawk80 писал(а):Почитал инфу по ссылке и немного не понимаю зачем облегченный ударник
Понятно, что боевой пружине легче его толкать, но ведь за счет меньшей инерционности время открытия клапана должно поменяться в меньшую сторону или я чего-то не понимаю?
Сейчас этот форум просматривают: Google [Bot], Yandex [Bot] и гости: 15