forum.Ohota.by в Telegram - ВОЙТИ

qb 78 deluxe - бюджетный винтарь

Все о пневматическом оружии, СПОРТИВНАЯ стрельба из пневматического оружия. Выбор, обслуживание, техника спортивной стрельбы, мишени.

Модераторы: Konstantinovich, Darkroom, 116aavl, SanSanish

Поделиться ...

Стоит ли делать глубокий запил кубика ?

Он хорош как есть
27
28%
Базовый ап по переводу на воздух не повредит
33
35%
Запилить до неузноваимости - многозарядную коробку, резик, новое ложе
16
17%
Пустая трата денег и времени - при продаже затраты не отобьются
19
20%
 
Всего голосов : 95

Re: qb 78 deluxe - бюджетный винтарь

Сообщение Гудвин » 14 сен 2013, 22:41

116aavl писал(а):Вот доделал установку для оПЦПэшивания любых девайсов. С кубиком 79-м работает идеально. Редуктор как часы - выстрелы +-1 мыс . Одной заправки хватает на много-много :-) . И не надо киты и резики :dan_ser: . Спасибо DEN120 за переходник на балон :dr_ink:

S6306424.JPG


S6306422.JPG

нужно магазин на 500 пулек мутить :)
Аватара пользователя
Гудвин
Верный ЛенинецЪ
 
Сообщения: 3161
Зарегистрирован: 15 июл 2013, 22:27
Откуда: Витебск
Репутация: 6 [ ? ]
Награды: 1
За Дело Ленина ;) (1)
Благодарил (а): 32 раз.
Поблагодарили: 337 раз.

forum.Ohota.by в Telegram - ВОЙТИ

Re: qb 78 deluxe - бюджетный винтарь

Сообщение Александр70 » 15 сен 2013, 07:32

Стальной пробкой я назвал деталь , что стоит сразу за клапаном к стороне ударника. В ней отверстие для прохода штока и две резьбы снизу, сверху. Думаю, что если выточить деталь цельную и пробка и корпус клапана, то шток будет ходить не в 8-10 мм клапана, а уже около 20 мм( по памяти примерно). Уже появляется пространство для манёвра. Может не резиновое, так фторопластовое колечко поставить, или вообще ничего не ставить, так как раздалбывать уже будет значительно меньше, да и кислоте протиснуться в более длинном тонеле будет сложнее. Ещё. Фторопластовый клапан работает уже 3 день держит давление. Если у кого зудят руки могу для тестов подогнать, что бы более интенсивно протестировать и вынести мнение.
Александр70
Свой
 
Сообщения: 66
Зарегистрирован: 14 июл 2013, 12:07
Откуда: Орша
Репутация: 0 [ ? ]
Благодарил (а): 1 раз.
Поблагодарили: 5 раз.

Re: qb 78 deluxe - бюджетный винтарь

Сообщение DEN120 » 15 сен 2013, 15:04

Фторопласт достаточно хрупкий материал,поэтому думаю долго не проживет.Для этих целей лучше подойдет капролон,хотя герметичности добиться будет сложнее,так как капролон более твердый чем фторопласт.Фторопласт будет затекать в отверстие после клапана в закрытом состоянии клапана,поэтому клапан открыть будет сложнее.
DEN120
Гуру
 
Сообщения: 1436
Зарегистрирован: 01 май 2013, 18:50
Репутация: 25 [ ? ]
Благодарил (а): 201 раз.
Поблагодарили: 194 раз.

Re: qb 78 deluxe - бюджетный винтарь

Сообщение Александр70 » 15 сен 2013, 15:59

Фторопласт ставил, так как есть под рукой. На счёт хрупкости может Вы ошибаетесь? Фторопласт довольно пластичный и жирный на ощуп. Это видно и по стружке ,когда точишь. Про второпласт одно точно знаю, что прекрасно работает на трение. Есть ещё навалом полипропилена. Материал так же довольно классный, даже хотя бы потому, что повсеместно сейчас используется в трубах на воду и отопление. Будем смотреть как пойдёт эксплуатация. Просто клапан сделал за 5 минут. Подгонят мне шлифованный пруток на 3 мм на штоки, дак можно бомбануть за час разных клапанов из разных материалов пяток штук.
Александр70
Свой
 
Сообщения: 66
Зарегистрирован: 14 июл 2013, 12:07
Откуда: Орша
Репутация: 0 [ ? ]
Благодарил (а): 1 раз.
Поблагодарили: 5 раз.

Re: qb 78 deluxe - бюджетный винтарь

Сообщение 116aavl » 15 сен 2013, 16:06

Valdik
кубик пока что не пиленый, поэтому ТТХ стандартные, тут надо было выяснить другое - как будет работать пейнтбольный редуктор.Оказалось совсем не плохо - при закрученом вентиле на балоне выдал 3 одинаковых выстрела На 78-м тоже самое через пробку ГОСТа замутить можно.
Аватара пользователя
116aavl
Гуру
 
Сообщения: 5084
Зарегистрирован: 29 фев 2012, 16:41
Репутация: 29 [ ? ]
Благодарил (а): 754 раз.
Поблагодарили: 809 раз.

Re: qb 78 deluxe - бюджетный винтарь

Сообщение DEN120 » 15 сен 2013, 16:54

Александр70 писал(а):Фторопласт ставил, так как есть под рукой. На счёт хрупкости может Вы ошибаетесь? Фторопласт довольно пластичный и жирный на ощуп. Это видно и по стружке ,когда точишь. Про второпласт одно точно знаю, что прекрасно работает на трение. Есть ещё навалом полипропилена. Материал так же довольно классный, даже хотя бы потому, что повсеместно сейчас используется в трубах на воду и отопление. Будем смотреть как пойдёт эксплуатация. Просто клапан сделал за 5 минут. Подгонят мне шлифованный пруток на 3 мм на штоки, дак можно бомбануть за час разных клапанов из разных материалов пяток штук.

Нет,на счет хрупкости не ошибаюсь,фторопласт намного более хрупкий чем капролон.Делал себе из полипропилена,г...о.Лучше капролона нет.Вообще для клапанов нужен твердый материал,поэтому все "тюнингованные" клапана сделаны из капролона.
DEN120
Гуру
 
Сообщения: 1436
Зарегистрирован: 01 май 2013, 18:50
Репутация: 25 [ ? ]
Благодарил (а): 201 раз.
Поблагодарили: 194 раз.

Re: qb 78 deluxe - бюджетный винтарь

Сообщение 116aavl » 15 сен 2013, 21:42

Александр70 писал(а):Стальной пробкой я назвал деталь , что стоит сразу за клапаном к стороне ударника. В ней отверстие для прохода штока и две резьбы снизу, сверху. Думаю, что если выточить деталь цельную и пробка и корпус клапана, то шток будет ходить не в 8-10 мм клапана, а уже около 20 мм( по памяти примерно). Уже появляется пространство для манёвра. Может не резиновое, так фторопластовое колечко поставить, или вообще ничего не ставить, так как раздалбывать уже будет значительно меньше, да и кислоте протиснуться в более длинном тонеле будет сложнее. Ещё. Фторопластовый клапан работает уже 3 день держит давление. Если у кого зудят руки могу для тестов подогнать, что бы более интенсивно протестировать и вынести мнение.


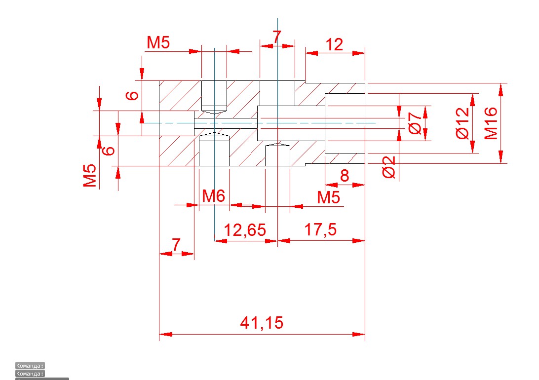
Сижу в автокаде прикидываю такой вариант - возможно только если менять и шток клапана с 3мм на 2мм иначе болт снизу и сверху не завернуть - резьбы выхода не хватит

2013-09-15_220427.jpg
Аватара пользователя
116aavl
Гуру
 
Сообщения: 5084
Зарегистрирован: 29 фев 2012, 16:41
Репутация: 29 [ ? ]
Благодарил (а): 754 раз.
Поблагодарили: 809 раз.

Re: qb 78 deluxe - бюджетный винтарь

Сообщение prof3ss0r » 15 сен 2013, 22:52

Итак я в теме. Пока есть время, могу поотвечать на вопросы всех заинтересованных, но не в ЛС, а сдесь - чтоб видели и знали все.
Кислотными кубиками я не увлекался, поэтому предпочтение тем кто использует воздух или идет к нему.
Расскажу все, что знаю - секретов у меня нет, просто времени мало, чтобы написать статью.


первым делом перенесу наш диалог с 116aavl, т.к. думаю некоторые моменты будут интересны.
Вопрос звучал так:

""Слушай, а тема была на онлайнере по апанью кубика под твоим руководством - совсем пропала она ? - какой внутренний диаметр перепуска на папу надо и пружины родной хватит или нет, чтоб на 80 мысов выплюнуть 0,57грам ?""

--- Хватит и родного перепуска и родной пружины, чтоб разогнать даже на 110. Тему снесли уже очень давно. На Охоте я собираюсь написать целую статью, но пока жду свою булку, ей ложе делают.
Как придет, постараюсь все всем рассказать.

""А мне показалось или на папу ставят пружину позлее чем в детский в кубики ? В детской помню пружина стояла - надул 100 атмосфер - пробить клапан не могла""

-- А если клапан сделать резиновым, и сечением 9-10мм, и еще конусом на плоскость, то тебе понадобится пружина от авто-аммортизатора чтоб его пробить! :-)
Вообщем клапан надо делать правильный, а не пружину неправильную ставить.
Я тебе так скажу - на родной пружине, родном перепуске, и даже на родном клапане, я получил 5ж в детском.
Папский у тебя ствол или детский - ЗАВИСИМОСТИ СИСТЕМЫ НЕТ!!!! Запомни, чтобы кто не говорил!
Устанавливая на одну и ту-же систему разные стволы, получаем 30% разницу в энергии!!!
Тоесть: имеем кубик дитя - 130 пулей 0,67, снимаем досылатель и ствол, меняем на Папские, и угадай что получим??? не угадал :trollface: - итог 130 пулей 0,57
Вот и разбирайся теперь :mi_ga_et:
Никогда не сомневайсятв том, в чем никто не уверен
Аватара пользователя
prof3ss0r
Гуру
 
Сообщения: 1827
Зарегистрирован: 31 мар 2013, 17:30
Репутация: 64 [ ? ]
Благодарил (а): 109 раз.
Поблагодарили: 382 раз.

Re: qb 78 deluxe - бюджетный винтарь

Сообщение prof3ss0r » 15 сен 2013, 23:01

Далее.. уж извиняйте, все страницы не читал - опять же время.. но кому нужно, тот повторит вопрос. Из того что тут вижу:

Фторопласт нельзя использовать для клапана - он текуч, и мягок, его разплющит и в итоге выбьет давлением. В добавок клапан получится нестабильным и "тяжелым" на пробой, что есть изначально в родном полиуретановом.
Никогда не сомневайсятв том, в чем никто не уверен
Аватара пользователя
prof3ss0r
Гуру
 
Сообщения: 1827
Зарегистрирован: 31 мар 2013, 17:30
Репутация: 64 [ ? ]
Благодарил (а): 109 раз.
Поблагодарили: 382 раз.

Re: qb 78 deluxe - бюджетный винтарь

Сообщение Александр70 » 15 сен 2013, 23:07

Так, где искать капролон? Можно и купить готовый клапан но имея возможность выточить как то не очень.
Александр70
Свой
 
Сообщения: 66
Зарегистрирован: 14 июл 2013, 12:07
Откуда: Орша
Репутация: 0 [ ? ]
Благодарил (а): 1 раз.
Поблагодарили: 5 раз.

Re: qb 78 deluxe - бюджетный винтарь

Сообщение prof3ss0r » 15 сен 2013, 23:13

Пейнтбольный редуктор можно настроить на 100 атм, при этом грамотно сделав само железо, можно получить приличные переметры.

С бутлей 0,21л получится 70 шутов т02 +/-1 жсб 0,67 или соответственно т02 жсб 0,87 с папской дудкой. Это впринципе и будет около д80 желаемой жсб 1,17


КАПРОЛОН ИЩИТЕ ПО СВОЕМУ "СЕЛУ" в интернете! Это крайне просто!
Капролон используется на всех технических производственных лентах, и если в вашем "селе" хоть что-то производят, обязательно будет контора, которая импортирует капролон.
Метровая капролоновая "колбаса" толщиной 4см стоит порядка 40тыс белруб! Просто напишите в Гугл слова "капролон" и свой город.
Последний раз редактировалось prof3ss0r 15 сен 2013, 23:15, всего редактировалось 1 раз.
Никогда не сомневайсятв том, в чем никто не уверен
Аватара пользователя
prof3ss0r
Гуру
 
Сообщения: 1827
Зарегистрирован: 31 мар 2013, 17:30
Репутация: 64 [ ? ]
Благодарил (а): 109 раз.
Поблагодарили: 382 раз.

Re: qb 78 deluxe - бюджетный винтарь

Сообщение Александр70 » 15 сен 2013, 23:14

116aavl писал(а):
Александр70 писал(а):Стальной пробкой я назвал деталь , что стоит сразу за клапаном к стороне ударника. В ней отверстие для прохода штока и две резьбы снизу, сверху. Думаю, что если выточить деталь цельную и пробка и корпус клапана, то шток будет ходить не в 8-10 мм клапана, а уже около 20 мм( по памяти примерно). Уже появляется пространство для манёвра. Может не резиновое, так фторопластовое колечко поставить, или вообще ничего не ставить, так как раздалбывать уже будет значительно меньше, да и кислоте протиснуться в более длинном тонеле будет сложнее. Ещё. Фторопластовый клапан работает уже 3 день держит давление. Если у кого зудят руки могу для тестов подогнать, что бы более интенсивно протестировать и вынести мнение.


Сижу в автокаде прикидываю такой вариант - возможно только если менять и шток клапана с 3мм на 2мм иначе болт снизу и сверху не завернуть - резьбы выхода не хватит

2013-09-15_220427.jpg

Думаю можно одно отверстие с резьбой убрать что держит латунную часть клапана снизу. Будет чуть проще.И так получается три точки крепления. Перепуск латунный с резьбой, снизу шпилька на приклад, сверху крепление ствола. А отверстия можно и насквозь просверлить, что в оригинальном варианте в стальной пробке, легче резьбу резать, да и шток утонтшать не надо. Если размеры выверены можно пробовать точануть.
Александр70
Свой
 
Сообщения: 66
Зарегистрирован: 14 июл 2013, 12:07
Откуда: Орша
Репутация: 0 [ ? ]
Благодарил (а): 1 раз.
Поблагодарили: 5 раз.

Re: qb 78 deluxe - бюджетный винтарь

Сообщение Александр70 » 15 сен 2013, 23:19

Как думаете, можно использовать для заправки кислотой с балона огнетушителя разъёмы, что продают на авторынках "быстросьёмы" папа-мама? Сколько вообще давление в углекислотном огнетушителе?

За это сообщение автора Александр70 поблагодарил:
DEN120
Александр70
Свой
 
Сообщения: 66
Зарегистрирован: 14 июл 2013, 12:07
Откуда: Орша
Репутация: 0 [ ? ]
Благодарил (а): 1 раз.
Поблагодарили: 5 раз.

Re: qb 78 deluxe - бюджетный винтарь

Сообщение prof3ss0r » 15 сен 2013, 23:26

У кислоты давление 55-60 Атм, у газообразной ее фазы. Особенности углекислого газа есть в интернете, нужно только поискать немного.
Одно скажу по кислоте - главное НИКОГДА НЕ ЗАПРАВЛЯТЬСЯ "ПОД ГОРЛЫШКО", ни винтовку ни баллон.
Давление расширения жидкой фазы может доходить до 600Атм! :de_vil:
Всегда должна быть "подушка" из газообразной фазы.

Рыночные быстросъемы используются для компрессоров и систем низкого давления - до 20Атм. Сколько выдержит металл самого быстросъемя - не известно, но советую этого не пробовать - пейнтбольный быстросъем будет стоить по деньгам столько-же. Нужно только поискать.
Никогда не сомневайсятв том, в чем никто не уверен
Аватара пользователя
prof3ss0r
Гуру
 
Сообщения: 1827
Зарегистрирован: 31 мар 2013, 17:30
Репутация: 64 [ ? ]
Благодарил (а): 109 раз.
Поблагодарили: 382 раз.

Re: qb 78 deluxe - бюджетный винтарь

Сообщение алкоголик » 16 сен 2013, 08:36

Это где ты такое вычитал, про 600 атм.? Представь авто или огнетушитель заправленный под завязку с этими атм. Не пугай нарот.
Cсылка скрыта. Для просмотра зарегистрируйтесь на форуме или войдите на форум.
Аватара пользователя
алкоголик
Гуру
 
Сообщения: 3160
Зарегистрирован: 29 мар 2013, 16:27
Откуда: Борисов
Репутация: 21 [ ? ]
Награды: 1
Участник Фестиваля (1)
Благодарил (а): 389 раз.
Поблагодарили: 511 раз.

Пред.След.

  • Похожие темы
    Ответы
    Просмотры
    Последнее сообщение

Кто сейчас на конференции

Сейчас этот форум просматривают: нет зарегистрированных пользователей и гости: 23