Модератор: Yurkoff
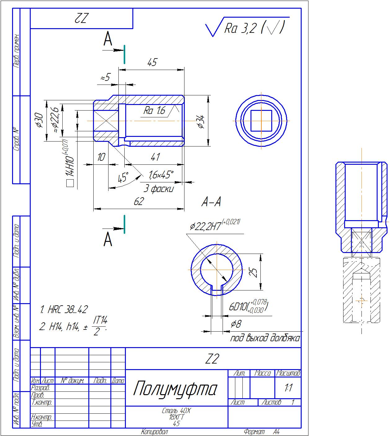
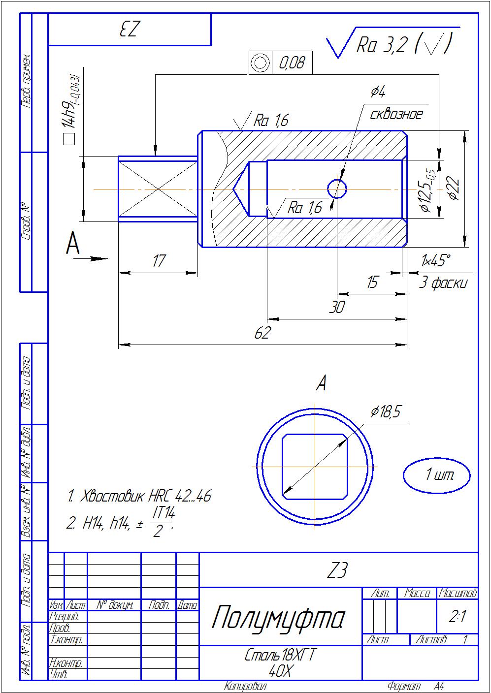
, автору 5 балов, фтулка сделана излине мощной. Чертеж имеет право на жизнь в любом случае. По мне такие размеры если брать сталь КП (какая попадется) то размеры в самый раз, если же взять простую 45ку ст и ее улучшить то размеры могут быть скромнее (я про втулку свой вариан я приводил ранее в моторах)
Chybykov писал(а): При сдувании лодки под коленками что-то прощупывается?
Сейчас этот форум просматривают: нет зарегистрированных пользователей и гости: 11