балу писал(а):то усё ляминевое - страшно поломать.
ничего там сложного нет,чуть попроще велосипеда.разбирается отверткой даже без молотка.откручивай все болтики,какие видишь--сам убедишся.

балу писал(а):то усё ляминевое - страшно поломать.

ANDREY674 писал(а):На память, так нюанс там один.

балу писал(а):а то усё ляминевое - страшно поломать.
ZEVS писал(а):первым вынимается вал-шестерня, а уж потом гребной вал.
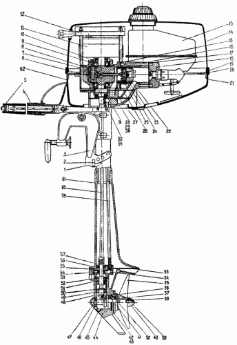
ну вот и чертёж созрел---шестерня гребного вала стоит на выходе--значит мешать не должна!
ANDREY674 писал(а):А разбирать редуктор, не вынимая вал-шестерни, на кой х

griny29 писал(а):зачем его лишний раз выдёргивать?
ANDREY674 писал(а):Я никогда бы не запихал обратно старый сальник
ZEVS писал(а):Аккуратней с винтами передней крышки, уж очень они нежные.

балу писал(а): начинаю психовать.на пиво не дали
griny29 писал(а):.у болтов шляпки можно
griny29 писал(а):интерестно,а на таком далеко уплыть можно?
griny29 писал(а):самодельщики не дремлют!

griny29 писал(а):самодельщики не дремлют!

Сейчас этот форум просматривают: нет зарегистрированных пользователей и гости: 7