forum.Ohota.by в Telegram - ВОЙТИ

qb 78 deluxe - бюджетный винтарь

Все о пневматическом оружии, СПОРТИВНАЯ стрельба из пневматического оружия. Выбор, обслуживание, техника спортивной стрельбы, мишени.

Модераторы: Darkroom, Konstantinovich, 116aavl, SanSanish

Поделиться ...

Стоит ли делать глубокий запил кубика ?

Он хорош как есть
27
28%
Базовый ап по переводу на воздух не повредит
33
35%
Запилить до неузноваимости - многозарядную коробку, резик, новое ложе
16
17%
Пустая трата денег и времени - при продаже затраты не отобьются
19
20%
 
Всего голосов : 95

Re: qb 78 deluxe - бюджетный винтарь

Сообщение 116aavl » 16 окт 2013, 21:25

DEN120
да всё путём, осталось в дудке перепуск просверлить и полирнуть казну, а то там очень полоски от режущего инструмента выделяются - поубирать это всё надо, чтобы резинку не тёрли, а в остальном отлично - клапан притер, накачал 100атмосфер - пускай его давление обожмет по уплотняющей поверхности, а то когда пустой его качаеш - спускает по началу

S6306563.JPG
Аватара пользователя
116aavl
Гуру
 
Сообщения: 5084
Зарегистрирован: 29 фев 2012, 16:41
Репутация: 29 [ ? ]
Благодарил (а): 754 раз.
Поблагодарили: 809 раз.

forum.Ohota.by в Telegram - ВОЙТИ

Re: qb 78 deluxe - бюджетный винтарь

Сообщение DEN120 » 16 окт 2013, 21:29

Тоесть по моей работе,я так понял,вопросов нет?
DEN120
Гуру
 
Сообщения: 1436
Зарегистрирован: 01 май 2013, 18:50
Репутация: 25 [ ? ]
Благодарил (а): 201 раз.
Поблагодарили: 194 раз.

Re: qb 78 deluxe - бюджетный винтарь

Сообщение 116aavl » 16 окт 2013, 21:31

DEN120
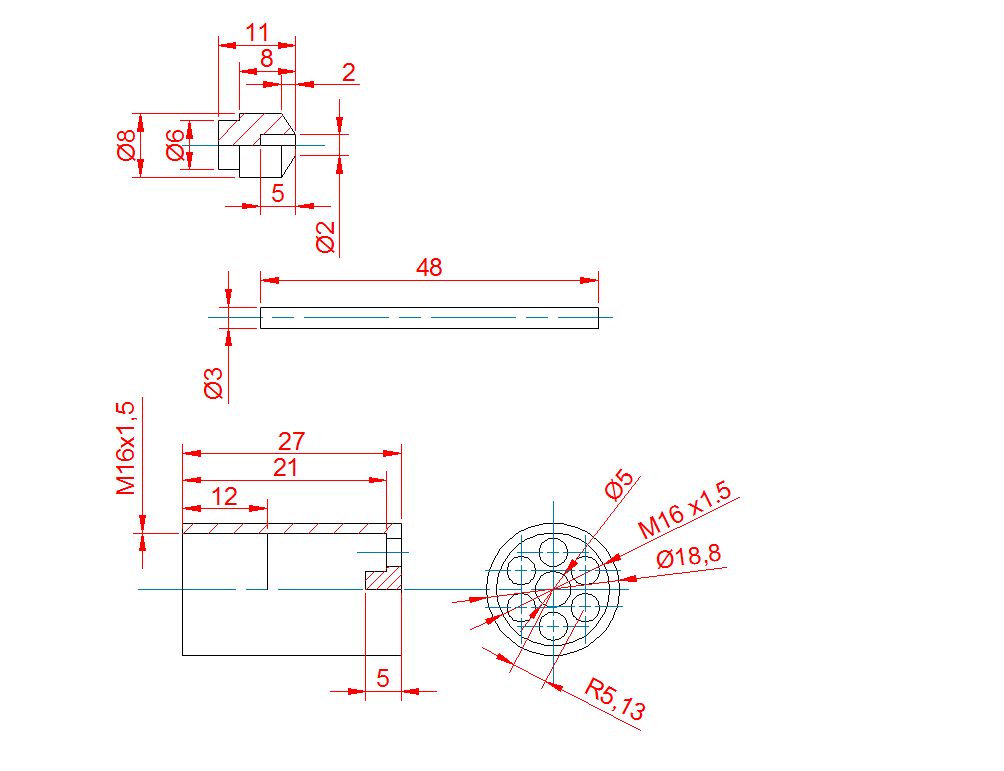
:dr_ink: всё супер, даже перепуск который толстый - становится с резинкой от зажигалки сверху, снизу от крысы резинка с перепуска. С крышкой клапана я немного переборщил в расчетах - надо покороче её делать. Если кому надо - вот правильный чертеж.

Клапан.jpg
Последний раз редактировалось 116aavl 16 окт 2013, 21:37, всего редактировалось 1 раз.
Аватара пользователя
116aavl
Гуру
 
Сообщения: 5084
Зарегистрирован: 29 фев 2012, 16:41
Репутация: 29 [ ? ]
Благодарил (а): 754 раз.
Поблагодарили: 809 раз.

Re: qb 78 deluxe - бюджетный винтарь

Сообщение DEN120 » 16 окт 2013, 21:34

Ну и славненько!Моя довольна.
DEN120
Гуру
 
Сообщения: 1436
Зарегистрирован: 01 май 2013, 18:50
Репутация: 25 [ ? ]
Благодарил (а): 201 раз.
Поблагодарили: 194 раз.

Re: qb 78 deluxe - бюджетный винтарь

Сообщение DEN120 » 16 окт 2013, 21:40

А может кто про модеры на кубика скажет?Аль рисунками поделится.Обычные,полуинтегрированные,интегрированные,что лучше?
DEN120
Гуру
 
Сообщения: 1436
Зарегистрирован: 01 май 2013, 18:50
Репутация: 25 [ ? ]
Благодарил (а): 201 раз.
Поблагодарили: 194 раз.

Re: qb 78 deluxe - бюджетный винтарь

Сообщение Гудвин » 16 окт 2013, 22:11

Да без разницы интеграш просто меньше габарит. Домой доберусь если сегодня скину кучу фоток что в нете накрыл по модерам. :co_ol:
Аватара пользователя
Гудвин
Верный ЛенинецЪ
 
Сообщения: 3161
Зарегистрирован: 15 июл 2013, 22:27
Откуда: Витебск
Репутация: 6 [ ? ]
Награды: 1
За Дело Ленина ;) (1)
Благодарил (а): 32 раз.
Поблагодарили: 337 раз.

Re: qb 78 deluxe - бюджетный винтарь

Сообщение M_A_T_R_I_X » 17 окт 2013, 17:41

а чем 79 лучше :al_kana_ft: 78?
Рост количества законов не снижает количество преступлений.
Аватара пользователя
M_A_T_R_I_X
Профи
 
Сообщения: 646
Зарегистрирован: 30 авг 2013, 14:53
Репутация: 4 [ ? ]
Благодарил (а): 45 раз.
Поблагодарили: 84 раз.

Re: qb 78 deluxe - бюджетный винтарь

Сообщение DEN120 » 17 окт 2013, 18:03

Да ничем не лучше,только конструктивом немного отличаются.У 79 есть эксцентрик для присоединения пейнтбольного балона,у 78-нет.У79 цевье короче чем у 78,в остальном одно и тоже.
DEN120
Гуру
 
Сообщения: 1436
Зарегистрирован: 01 май 2013, 18:50
Репутация: 25 [ ? ]
Благодарил (а): 201 раз.
Поблагодарили: 194 раз.

Re: qb 78 deluxe - бюджетный винтарь

Сообщение чужой » 17 окт 2013, 19:17

M_A_T_R_I_X писал(а):а чем 79 лучше 78?

всем
Cсылка скрыта. Для просмотра необходима регистрация на форуме или войдите на форум.
Аватара пользователя
чужой
Гуру
 
Сообщения: 2525
Зарегистрирован: 29 июн 2012, 22:40
Откуда: Бобруйск, Мозырь
Репутация: 22 [ ? ]
Благодарил (а): 322 раз.
Поблагодарили: 435 раз.

Re: qb 78 deluxe - бюджетный винтарь

Сообщение 116aavl » 17 окт 2013, 22:24

M_A_T_R_I_X
были и тот и тот - как по мне 79-й лучше - из него полноценная редукторная винтовка получается из пейнтбольных запчастей
Аватара пользователя
116aavl
Гуру
 
Сообщения: 5084
Зарегистрирован: 29 фев 2012, 16:41
Репутация: 29 [ ? ]
Благодарил (а): 754 раз.
Поблагодарили: 809 раз.

Re: qb 78 deluxe - бюджетный винтарь

Сообщение Diki_PraPor » 02 ноя 2013, 12:54

кто на какое давление качает кубик,что если попробывать опресовать на 300 :ps_ih: ?
И солнце ярче светит и веселей пейзаж, когда в желудке плещется C2H5OH!
Аватара пользователя
Diki_PraPor
Аксакал
 
Сообщения: 278
Зарегистрирован: 23 ноя 2012, 23:57
Откуда: Борисов
Репутация: 1 [ ? ]
Благодарил (а): 26 раз.
Поблагодарили: 27 раз.

Re: qb 78 deluxe - бюджетный винтарь

Сообщение DEN120 » 02 ноя 2013, 13:27

Давление накачки зависит от настройки винта(ударно-клапонной групы),если нет редуктора.Выше рабочего давления качать смысла нет,падает скорость.У меня лично рабочее с 140 до где-то 90атм.Но у меня резик не радной.В радной я бы выше120атм качать не рискнул,а может и вообще не рескнул бы его качать выше давления СО2.Хотя некоторые умудряются качать и 200атм.Но я лично встречал инфу о неравномерных стенках в родных резиках.Кроме того,если резики брать самодельные,то либо опресовывать сразу,либо брать у проверенных мастеров,так как держал в руках,а потом переделывал резик из польши,в котором передняя пробка просто болталась!!!
DEN120
Гуру
 
Сообщения: 1436
Зарегистрирован: 01 май 2013, 18:50
Репутация: 25 [ ? ]
Благодарил (а): 201 раз.
Поблагодарили: 194 раз.

Re: qb 78 deluxe - бюджетный винтарь

Сообщение Diki_PraPor » 02 ноя 2013, 15:29

что если налить в резик воды и качать качать... пока не будет проверочного давления? если ипанет то сильно? :de_vil: :ps_ih:
И солнце ярче светит и веселей пейзаж, когда в желудке плещется C2H5OH!
Аватара пользователя
Diki_PraPor
Аксакал
 
Сообщения: 278
Зарегистрирован: 23 ноя 2012, 23:57
Откуда: Борисов
Репутация: 1 [ ? ]
Благодарил (а): 26 раз.
Поблагодарили: 27 раз.

Re: qb 78 deluxe - бюджетный винтарь

Сообщение DEN120 » 02 ноя 2013, 23:00

Качать чем?Насосом ВД?Ни в коем случае!!!Воздух имеет свойство сжиматься,поэтому в случае дефекта резика будет БАБАХ!Опресовку производить только жидкостью.Самый простой способ это с помощью тормозного цилиндра и подключенного через переходник манометра.Заливаем полностью резик жидкочтью,закручиваем пробку,заполняем цилиндр и шланг той же жидкостью,вставляемзаправочник в порт и сдавливаем цилиндр в тиска до получения нужного давления,либо до выявления дефектов,переодически меряя резик микрометром в разных местах.Вот в таком случае если резик не выдержит будет просто пшик,хотя ТБ при работе с ВД соблюдать стоит.
DEN120
Гуру
 
Сообщения: 1436
Зарегистрирован: 01 май 2013, 18:50
Репутация: 25 [ ? ]
Благодарил (а): 201 раз.
Поблагодарили: 194 раз.

Re: qb 78 deluxe - бюджетный винтарь

Сообщение prof3ss0r » 03 ноя 2013, 23:36

Я на онлинере долго писал свое ИМХО по теме кубика, и вместо долгожданного отчета, пока продублирую его сюда, дабы уберечь многих от неправильного понимания этой винтовки!

Проблема кубика в том, что он может быть крут, но не долго :) стабильность пропадает с настрелом. То перепуск пускать начинает, то досылатель, то клапан, то редуктор! :) постоянная епля - вечный конструктор короче :D
В конце концов мы решили все переделывать - хвала что станок есть.
Но так много времени уходит, чтоб все рассчитать и выточить, что забываешь что кубик вообще есть. :)
А когда от него остается только ствол и труба с эксцентриком - становится его жалко и времени.. Проще и дешевле было бы купить хороший ствол, и сделать все с нуля, при этом продав сам кубик (учитывая его цену нынешнюю). :-? Либо купить хорошую готовую вещь.
Такая вот интересная моя история.

Я доделаю что начал, рас уж есть возможность, но повторить такой подвиг я больше не решусь.
Кубик хорош, как бюджетный простой псп, но если ты хочешь его "сильно" переделать, а тем более вложить деньги в хорошую коробку/бутлю/булку - АКСЦИСЬ! :)
Будешь убит разочарованием.
--
Я скоро доделаю свой кубик, и постараюсь наконец-то выложить отчет - тогда и оценишь весь масштаб. :-?
Заметь сам - я уже оооочень давно хочу выложить отчет, но все никак! Все дело в том, что только я закончу очередную доводку, отстреляю и убежусь в правильности теории, и уже вот-вот собираюсь написать статью.... Как происходит какая-то очередная хрень! Которая сводит на НЕТ все мои предыдущие переделки! :bazar:
К примеру: досылатель модернизировался аж 4 раза, редуктор 3 раза, спуск раз 6 и ДО СИХ ПОР НЕ ГОТОВ! Клапан раз 8, ударник 3-4 раза, я уже даже и не упомню остального! ЖОПА полная! Столько гемора с этими кубиками, история такая длинная, что просто не верится что я вообще этой уйней занимался! :D
Я уточню - кубик классная винтовка, если:
-он достался до 200$
-при переводе на воздух используется дешевый пейнтбольный баллон 0,21 с редуктором на 55Атм.
-от него ожидается средняя кучность 30мм на полтиннике, при скорости 220 тяжелой.
-используется в стандартном однозарядном варианте
-не используется на прямотоке
Отклонения от этого списка, ведут к напрасной трате денег, либо разочарованию! Если вложить в кубик 200$ (а это например всего-лишь коробка и баллон) то это уже 400$ - стоимость Walther 850 или однозарядного Хатсан 44S! Если есть время, руки и станок (как у меня) то в итоге вы придете к тому, что проще создать винт С НУЛЯ используя тот-же баллон и любой стоящий ствол! :100500:
Не тратьте деньги попусту - гораздо интереснее стрелять по цели, чем засыпать каждый день с чертежами в голове. :beer:
Никогда не сомневайсятв том, в чем никто не уверен

За это сообщение автора prof3ss0r поблагодарили - 3:
alex922, bvrok, muhabala
Аватара пользователя
prof3ss0r
Гуру
 
Сообщения: 1827
Зарегистрирован: 31 мар 2013, 17:30
Репутация: 64 [ ? ]
Благодарил (а): 109 раз.
Поблагодарили: 382 раз.

Пред.След.

  • Похожие темы
    Ответы
    Просмотры
    Последнее сообщение

Кто сейчас на конференции

Сейчас этот форум просматривают: нет зарегистрированных пользователей и гости: 17