forum.Ohota.by в Telegram - ВОЙТИ

помогите по крюгерке ежу

Специаизированная барахолка. Купля, продажа, обмен пневматики, ММГ и сопутствующего. Только для участников группы пневматика. Перед публикацией читаем правила форума!

Модераторы: Darkroom, Konstantinovich, 116aavl, SanSanish

Правила форума
Общие положения:
Раздел предназначен для продажи, покупки или обмена изделиями конструктивно схожими с оружием. В раздел принимаются ТОЛЬКО частные объявления, коммерческие темы могут быть удалены.

ПРОДАЖА ТОЛЬКО КОНСТРУКТИВНО СХОДНЫХ С ОРУЖИЕМ ИЗДЕЛИЙ (ДО 3 ДЖ) и ММГ, продажа и покупка СХП , охолощённого и т.п. оружия запрещена
РАЗМЕЩЕНИЕ ОБЪЯВЛЕНИЙ ПО ПРЕДЛОЖЕНИЮ УСЛУГ ПО ИЗГОТОВЛЕНИЮ ПНЕВМАТИЧЕСКОГО ОРУЖИЯ ИЛИ ПО УСИЛЕНИЮ СЕРИЙНЫХ ОБРАЗЦОВ ЗАПРЕЩЕНО


ПРОДАЖА ПРИЦЕЛОВ НОЧНОГО ВИДЕНИЯ А ТАК ЖЕ НОЧНЫХ НАСАДОК НА ОПТИЧЕСКИЕ ПРИЦЕЛЫ, ЦИФРОВЫХ И ТЕПЛОВИЗИОННЫХ ПРИЦЕЛОВ И МОНОКУЛЯРОВ (БИНОКЛЕЙ, ГЛЯДЕ́ЛОК И Т.П. ) В ДАННОМ РАЗДЕЛЕ ЗАПРЕЩЕНА.

{Будет дополнено}

1. Создание тем:

1.1 Использование в названии темы ПРОПИСНЫХ БУКВ недопустимо! Исключение составляют аббревиатуры.

1.2 При создании темы прямо в названии темы указывайте как можно больше информации о товаре.
Недопустимы названия типа: “куплю”, “продам”, “продам срочно ” - не тратьте время, такие темы будут удалены.
В названии темы ОБЯЗАТЕЛЬНО должен быть указан предмет сделки!
Пример правильной темы:
“Продам сейф для ружья 820 x 200 x 195 мм. Минск.”
“Продам ИЖ-58М, 12 калибр”

1.3 В первом сообщении темы должна быть указана цена товара в белорусских рублях! Условия приобретения, обязательно реальное фото ( не из интернета ) продаваемого товара.

2. Правила публикации сообщений:

2.1 Цена продаваемого товара должна быть указана в белорусских рублях! - "еноты", "уе", "обамки" и прочие - повод для удаления темы модератором. Цена указывается обязательно! Объявления без цены могут быть удалены без предупреждения.

2.2 Запрещается ругань, оскорбления участников, частое использование Caps Lock, матерной речи и непонятной всем лексики. Возможна блокировка без предупреждения, не важно кто прав - не отвечайте ругательством на ругательство.

2.3 Любой продавец в праве продавать ЛЮБОЙ свой товар за любою цену, какую он желает. Если Вы не планируете покупать, то, что предложено в объявлении, обсуждение цены продавца в сторону ее занижения или завышения - ЗАПРЕЩЕНО! В теме допустимо лишь уточнение характеристик товара, запрос дополнительной информации, либо уточнение цены.

2.4 Запрещается размещать свои объявления, свои контактные данные или ссылки на свои темы в чужих темах (кроме случаев, когда идет обмен, или это явно попросил автор темы).

2.5 За указанные нарушения может последовать блокировка вплоть до бессрочной.

2.6 Поднятие темы о продаже без изменения цены или изменения характеристик товаров чаще чем 1 раз в 5 дней запрещается.
Под поднятием темы понимается написание чего угодно в своей теме ("Ап", "в продаже", "актуально" и т.д.). Исключением является ответы на вопросы пользователей.

2.6.1 На поставленный уточняющий вопрос о предмете продажи следует отвечать в теме. Кроме случаев, когда сам вопрос связан с личной информацией. Разрешено дублировать ответ в личку.

2.7 Обсуждение действий модератора в любой теме данного раздела запрещено.

Модератор может удалять любые сообщения, в которых будут допущены нарушения правил, а злостным нарушителям доступ в раздел будет закрываться полностью. :uch_tiv:
Поделиться ...

помогите по крюгерке ежу

Сообщение Zlobinski » 29 сен 2016, 21:29

Калибр 5,5, резинку выдуло со ствола, может знает кто размеры?
Zlobinski
Свой
 
Сообщения: 87
Зарегистрирован: 17 янв 2016, 22:27
Откуда: Минск
Репутация: 0 [ ? ]
Благодарил (а): 7 раз.
Поблагодарили: 0 раз.

forum.Ohota.by в Telegram - ВОЙТИ

Re: помогите по крюгерке ежу

Сообщение arxip » 29 сен 2016, 21:37

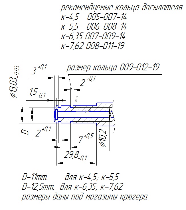
вот, может поможет.
Вложения
htmlimage.jpg
arxip
Аксакал
 
Сообщения: 236
Зарегистрирован: 14 ноя 2015, 13:35
Откуда: минск
Репутация: 10 [ ? ]
Благодарил (а): 40 раз.
Поблагодарили: 35 раз.

Re: помогите по крюгерке ежу

Сообщение Valdik » 29 сен 2016, 21:38

А старую, что совсем выдуло?)))) Берёшь её и на рынок Червенский, иль на жданы на Блоху. Можно купить наборы резинок, в тырнете куча с прицепом их. Штангенциркуль рулит.....
Аватара пользователя
Valdik
Гуру
 
Сообщения: 1394
Зарегистрирован: 19 май 2013, 18:54
Репутация: 15 [ ? ]
Награды: 1
Участник Фестиваля (1)
Благодарил (а): 99 раз.
Поблагодарили: 389 раз.

Re: помогите по крюгерке ежу

Сообщение Zlobinski » 29 сен 2016, 21:39

Совсем выдуло, дал шурину пострелять и всё, нет больше резинки
Zlobinski
Свой
 
Сообщения: 87
Зарегистрирован: 17 янв 2016, 22:27
Откуда: Минск
Репутация: 0 [ ? ]
Благодарил (а): 7 раз.
Поблагодарили: 0 раз.

Re: помогите по крюгерке ежу

Сообщение Zlobinski » 29 сен 2016, 21:42

И штангенциркуль в коробку хрен засунешь.
Zlobinski
Свой
 
Сообщения: 87
Зарегистрирован: 17 янв 2016, 22:27
Откуда: Минск
Репутация: 0 [ ? ]
Благодарил (а): 7 раз.
Поблагодарили: 0 раз.

Re: помогите по крюгерке ежу

Сообщение Valdik » 29 сен 2016, 21:51

Штангенциркуль в коробке не нужен. Померил досылатель, проточку...

То Злобински.... А куле штангель сунуть в коробку? Калибр то известен... А автор знает вроде калибр винта.
Последний раз редактировалось Valdik 29 сен 2016, 21:54, всего редактировалось 1 раз.

За это сообщение автора Valdik поблагодарил:
Zlobinski
Аватара пользователя
Valdik
Гуру
 
Сообщения: 1394
Зарегистрирован: 19 май 2013, 18:54
Репутация: 15 [ ? ]
Награды: 1
Участник Фестиваля (1)
Благодарил (а): 99 раз.
Поблагодарили: 389 раз.

Re: помогите по крюгерке ежу

Сообщение 116aavl » 29 сен 2016, 21:51

Хмм, в китайском красном наборе нет 06-08 , есть 5 внутренний тощина 2 и 7 внутренний толщина 1,5. Надо поштучно искать гдето. На китайский размер надо искать 6 внутренний 1 толщина

Cсылка скрыта. Для просмотра необходима регистрация на форуме или войдите на форум.

на крайняк 6x1,5

Cсылка скрыта. Для просмотра необходима регистрация на форуме или войдите на форум.
Аватара пользователя
116aavl
Гуру
 
Сообщения: 5084
Зарегистрирован: 29 фев 2012, 16:41
Репутация: 29 [ ? ]
Благодарил (а): 754 раз.
Поблагодарили: 809 раз.

Re: помогите по крюгерке ежу

Сообщение Zlobinski » 29 сен 2016, 21:57

Valdik писал(а):Штангенциркуль в коробке не нужен. Померил досылатель, проточку...

То Злобински.... А куле штангель сунуть в коробку? Калибр то известен... А автор знает вроде калибр винта.

Резинка не на досылателе, а в стволе и проточка в стволе, с внутренним диаметром вопросов нет, а вот по наруже ХЗ
Zlobinski
Свой
 
Сообщения: 87
Зарегистрирован: 17 янв 2016, 22:27
Откуда: Минск
Репутация: 0 [ ? ]
Благодарил (а): 7 раз.
Поблагодарили: 0 раз.

Re: помогите по крюгерке ежу

Сообщение Valdik » 29 сен 2016, 21:58

Всё это надо пробовать и подбирать..... Не раз убедился. И на крюгерке, и на Эдгане, и на англичанках.
Аватара пользователя
Valdik
Гуру
 
Сообщения: 1394
Зарегистрирован: 19 май 2013, 18:54
Репутация: 15 [ ? ]
Награды: 1
Участник Фестиваля (1)
Благодарил (а): 99 раз.
Поблагодарили: 389 раз.

Re: помогите по крюгерке ежу

Сообщение Valdik » 29 сен 2016, 22:00

:-): :-): :-): :-): Извини... А как? Я вот даже представить не могу. Честно.
Аватара пользователя
Valdik
Гуру
 
Сообщения: 1394
Зарегистрирован: 19 май 2013, 18:54
Репутация: 15 [ ? ]
Награды: 1
Участник Фестиваля (1)
Благодарил (а): 99 раз.
Поблагодарили: 389 раз.

Re: помогите по крюгерке ежу

Сообщение Valdik » 29 сен 2016, 22:01

И какой винт?
Аватара пользователя
Valdik
Гуру
 
Сообщения: 1394
Зарегистрирован: 19 май 2013, 18:54
Репутация: 15 [ ? ]
Награды: 1
Участник Фестиваля (1)
Благодарил (а): 99 раз.
Поблагодарили: 389 раз.

Re: помогите по крюгерке ежу

Сообщение Zlobinski » 29 сен 2016, 22:02

То есть винт на плечо и на поле чудес, резинки примерять
Zlobinski
Свой
 
Сообщения: 87
Зарегистрирован: 17 янв 2016, 22:27
Откуда: Минск
Репутация: 0 [ ? ]
Благодарил (а): 7 раз.
Поблагодарили: 0 раз.

Re: помогите по крюгерке ежу

Сообщение Valdik » 29 сен 2016, 22:03

Ствол достал и пошёл)))))) Примерил, пару вариантов нашёл))))))
Аватара пользователя
Valdik
Гуру
 
Сообщения: 1394
Зарегистрирован: 19 май 2013, 18:54
Репутация: 15 [ ? ]
Награды: 1
Участник Фестиваля (1)
Благодарил (а): 99 раз.
Поблагодарили: 389 раз.

Re: помогите по крюгерке ежу

Сообщение riichi » 29 сен 2016, 22:09

Берешь сверло 5,5 и идешь в автобутик. У них есть коробочки волшебные ,красного, синего , желтого и зеленого цвета и подбираешь по концевику по паре толстых' средних и тонких и будет тебе счастье :-)

За это сообщение автора riichi поблагодарил:
Zlobinski
Аватара пользователя
riichi
Гуру
 
Сообщения: 777
Зарегистрирован: 09 дек 2013, 17:59
Откуда: Вильнюс-Лида
Репутация: 11 [ ? ]
Благодарил (а): 107 раз.
Поблагодарили: 120 раз.

Re: помогите по крюгерке ежу

Сообщение ignore » 29 сен 2016, 22:10

Куча резинок в отделе сантехники на кольцевой в магазе ALL кто-то из наших недавно мне говорил... :uch_tiv:
Это на выезде из Новинок...

За это сообщение автора ignore поблагодарили - 2:
Mazay, Zlobinski
Аватара пользователя
ignore
Гуру
 
Сообщения: 6737
Зарегистрирован: 28 ноя 2010, 14:40
Откуда: Минск
Репутация: 33 [ ? ]
Благодарил (а): 893 раз.
Поблагодарили: 636 раз.

След.

  • Похожие темы
    Ответы
    Просмотры
    Последнее сообщение

Кто сейчас на конференции

Сейчас этот форум просматривают: борис_прокопенко, alex_g_by, H0M31355, SashaChester, Yandex [Bot], Дед_Пихто и гости: 46