forum.Ohota.by в Telegram - ВОЙТИ

мотоледобур

Самодельные лодочные моторы, транспортные средства, лодки,а также все то что приводится в движения двигателем и не только.

Модератор: Yurkoff

Поделиться ...

мотоледобур

Сообщение 423958025 » 02 дек 2011, 20:07

так сложилось что мы своим маленьким цехом временами занимаемся колымами и довелось столкнуться с одним заказом-мотоледобур.с тех пор прошло много времени(год),их сделано больше десятка,чертежи,наработки,пробы и ошибки...технология отточена и не поделится не могу,тем более что тут кулибиных с нормальной кривизной рук предостаточно!Ну начну:Изготавливается из обычного бура двигателя(обычно от бензопилы) и трещетки(колодки разводит напневматических тормозах грузовых автомобилей и телег.) с трещетками проблем никогда нет,по конструкции они примитивны,их никтро не ремонтирует(геморойно и нехфективно) поэтому у любого мазиста или камазиста они по цене "за так".Всетрудности только в токарных работах-корпус растачивается протачивается вытачиваются 2крышки 2 корпуса подшипников и новый вал,все сваривается и вуаля-"охапка дров и плов готов"
Чертежи есть,но они на бумаге,и на столько замызганы что стыдно показывать,а в компас лень,ну или некогда перерисовать.ЕСЛИ КОГО ЗАИНТЕРЕСУЕТ МОГУ 3D МОДЕЛЬ СДЕЛАТЬ(ТОЧНУЮ),но если не надо то и чертежи постараюсь(модель то в 100 раз легче)
Производство всякой фигни из материалов заказчика
Аватара пользователя
423958025
Полноправный участник
 
Сообщения: 33
Зарегистрирован: 29 ноя 2011, 18:19
Репутация: 0 [ ? ]
Благодарил (а): 3 раз.
Поблагодарили: 4 раз.

forum.Ohota.by в Telegram - ВОЙТИ

Re: мотоледобур

Сообщение 423958025 » 02 дек 2011, 20:12

Вот сам редуктор
Вложения
Фото-0004.jpg
Фото-0005.jpg
Фото-0006.jpg
Производство всякой фигни из материалов заказчика
Аватара пользователя
423958025
Полноправный участник
 
Сообщения: 33
Зарегистрирован: 29 ноя 2011, 18:19
Репутация: 0 [ ? ]
Благодарил (а): 3 раз.
Поблагодарили: 4 раз.

Re: мотоледобур

Сообщение ANDREY674 » 02 дек 2011, 20:25

423958025 писал(а):но если не надо то и чертежи постараюсь(модель то в 100 раз легче)


Чертежи были бы интересны. Когда то год проработал в автопарке токарем в ремзоне, но с трещотками ни разу не сталкивался, больше колодки протачивал, да ЗИЛовский комплект: гайка, шпилька, футорка.
А если модель легче, давай модель, размеры всё равно свои будут.
Только по мотоледобурам своя тема есть, посмотри: там мотосанки, мотобуксировщики, мотоледобуры. Так что переходи туда, на зимние темы.
изготовление п о р н о г р а ф и и преследуется по Закону.
--------------------------------------------------------------------------------
"FLINC T320L" , " ForwardFBC-520B" 2.7л.с. "NOMAD NL 160F" 5 л.с.
Аватара пользователя
ANDREY674
Гуру
 
Сообщения: 4308
Зарегистрирован: 21 сен 2011, 22:14
Откуда: Санкт Петербург (Металлострой)
Репутация: 15 [ ? ]
Благодарил (а): 223 раз.
Поблагодарили: 298 раз.

Re: мотоледобур

Сообщение Jonson2 » 02 дек 2011, 20:33

Редуктор червячный что ль? :du_ma_et:
Rioby (MTD)700 - 1л.с., Champion T334 - 1.2 л.с., Stihl FS130 4MIX 1.9 л.с., Форвард 620 в процессе...
Воронеж-Мини, Пеликан 280М
Аватара пользователя
Jonson2
Гуру
 
Сообщения: 1283
Зарегистрирован: 10 май 2011, 18:39
Откуда: Новосибирск
Репутация: 16 [ ? ]
Награды: 1
За особый вклад в жизнь форума (1)
Благодарил (а): 68 раз.
Поблагодарили: 184 раз.

Re: мотоледобур

Сообщение ANDREY674 » 02 дек 2011, 22:06

Jonson2 писал(а):Редуктор червячный что ль? :du_ma_et:


Похоже что червячный, я уже косился на такой вариант, только использовать шестерню привода трамблёра с самодельным червяком. Такой конструктив даёт возможность использовать обычный (для нас) ледобур левого вращения, а не искать буржуйский правый. Или самому делать правый шнек. Раньше вообще то делали, но из титана, а сейчас лениво да и титана уже нет. А самодельный из черняхи - люди не поймут, скажут что больной.
изготовление п о р н о г р а ф и и преследуется по Закону.
--------------------------------------------------------------------------------
"FLINC T320L" , " ForwardFBC-520B" 2.7л.с. "NOMAD NL 160F" 5 л.с.
Аватара пользователя
ANDREY674
Гуру
 
Сообщения: 4308
Зарегистрирован: 21 сен 2011, 22:14
Откуда: Санкт Петербург (Металлострой)
Репутация: 15 [ ? ]
Благодарил (а): 223 раз.
Поблагодарили: 298 раз.

Re: мотоледобур

Сообщение 423958025 » 06 дек 2011, 18:40

некоторые детали
Производство всякой фигни из материалов заказчика
Аватара пользователя
423958025
Полноправный участник
 
Сообщения: 33
Зарегистрирован: 29 ноя 2011, 18:19
Репутация: 0 [ ? ]
Благодарил (а): 3 раз.
Поблагодарили: 4 раз.

Re: мотоледобур

Сообщение 423958025 » 06 дек 2011, 21:05

это уже с двигателем от косилки. Как сюда чертежи в фотрмате CDW вставить??
Вложения
Фото-0014.jpg
Фото-0015.jpg
Фото-0016.jpg
Производство всякой фигни из материалов заказчика
Аватара пользователя
423958025
Полноправный участник
 
Сообщения: 33
Зарегистрирован: 29 ноя 2011, 18:19
Репутация: 0 [ ? ]
Благодарил (а): 3 раз.
Поблагодарили: 4 раз.

Re: мотоледобур

Сообщение ANDREY674 » 06 дек 2011, 21:16

423958025 писал(а):это уже с двигателем от косилки. Как сюда чертежи в фотрмате CDW вставить??

Даже не представляю.
Если только мне на мыло. Компас у меня есть, версия 12, если у тебя новее- может не открыть.
изготовление п о р н о г р а ф и и преследуется по Закону.
--------------------------------------------------------------------------------
"FLINC T320L" , " ForwardFBC-520B" 2.7л.с. "NOMAD NL 160F" 5 л.с.
Аватара пользователя
ANDREY674
Гуру
 
Сообщения: 4308
Зарегистрирован: 21 сен 2011, 22:14
Откуда: Санкт Петербург (Металлострой)
Репутация: 15 [ ? ]
Благодарил (а): 223 раз.
Поблагодарили: 298 раз.

Re: мотоледобур

Сообщение Гость » 07 дек 2011, 17:03

Короче кому надо-обращайтесь,уже все сделал,осталось чертежи оформить и сборочный,а может и Сборку(Модель в сборе) сечением разрежу
Гость

 

Re: мотоледобур

Сообщение 423958025 » 08 дек 2011, 18:49

Модераторы,администраторы и прочая нечистая сила:Куда можно файлы формата CDW выложить и каким менее трудоемким способом
Производство всякой фигни из материалов заказчика
Аватара пользователя
423958025
Полноправный участник
 
Сообщения: 33
Зарегистрирован: 29 ноя 2011, 18:19
Репутация: 0 [ ? ]
Благодарил (а): 3 раз.
Поблагодарили: 4 раз.

Re: мотоледобур

Сообщение 423958025 » 08 дек 2011, 19:03

вот основные некоторые Части
Вложения
Безымянный.JPG
Безымянныйер.JPG
Безымянныйн.JPG
Производство всякой фигни из материалов заказчика
Аватара пользователя
423958025
Полноправный участник
 
Сообщения: 33
Зарегистрирован: 29 ноя 2011, 18:19
Репутация: 0 [ ? ]
Благодарил (а): 3 раз.
Поблагодарили: 4 раз.

Re: мотоледобур

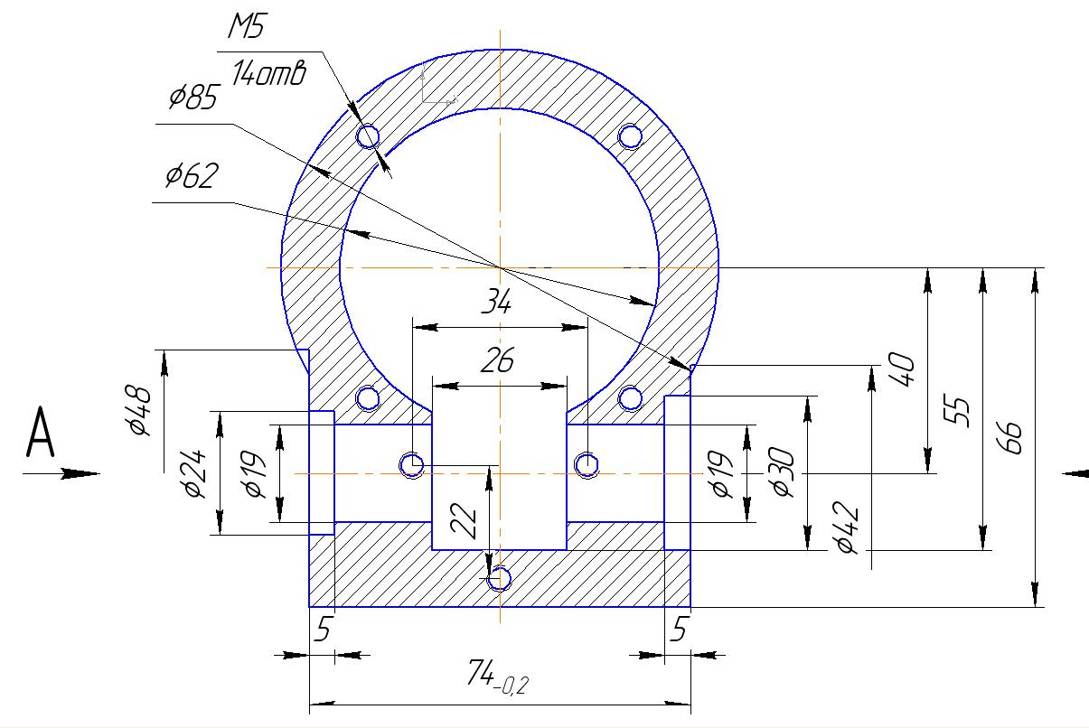
Сообщение 423958025 » 08 дек 2011, 19:33

вот принципиально "as is" Там малочи еще
Вложения
м м м ст.JPG
Производство всякой фигни из материалов заказчика

За это сообщение автора 423958025 поблагодарил:
ANDREY674
Аватара пользователя
423958025
Полноправный участник
 
Сообщения: 33
Зарегистрирован: 29 ноя 2011, 18:19
Репутация: 0 [ ? ]
Благодарил (а): 3 раз.
Поблагодарили: 4 раз.

Re: мотоледобур

Сообщение ANDREY674 » 08 дек 2011, 21:17

Спасибо!
Я смотрю, вышел из положения через" Print Screen".
изготовление п о р н о г р а ф и и преследуется по Закону.
--------------------------------------------------------------------------------
"FLINC T320L" , " ForwardFBC-520B" 2.7л.с. "NOMAD NL 160F" 5 л.с.
Аватара пользователя
ANDREY674
Гуру
 
Сообщения: 4308
Зарегистрирован: 21 сен 2011, 22:14
Откуда: Санкт Петербург (Металлострой)
Репутация: 15 [ ? ]
Благодарил (а): 223 раз.
Поблагодарили: 298 раз.

Re: мотоледобур

Сообщение 423958025 » 10 дек 2011, 13:24

Ну в принципе вот так
Вложения
апива.JPG
Производство всякой фигни из материалов заказчика
Аватара пользователя
423958025
Полноправный участник
 
Сообщения: 33
Зарегистрирован: 29 ноя 2011, 18:19
Репутация: 0 [ ? ]
Благодарил (а): 3 раз.
Поблагодарили: 4 раз.

Re: мотоледобур

Сообщение 423958025 » 10 дек 2011, 13:59

вот с корпусами подшипников,ну и в цвете
Вложения
Безымянный676.JPG
Производство всякой фигни из материалов заказчика

За это сообщение автора 423958025 поблагодарил:
ANDREY674
Аватара пользователя
423958025
Полноправный участник
 
Сообщения: 33
Зарегистрирован: 29 ноя 2011, 18:19
Репутация: 0 [ ? ]
Благодарил (а): 3 раз.
Поблагодарили: 4 раз.

След.

Кто сейчас на конференции

Сейчас этот форум просматривают: нет зарегистрированных пользователей и гости: 15